Modulares System M
System M ist ein kompaktes, modulares System bestehend aus Basismodulen, Leuchten und Schallgebern, die mir ihren hohen optischen Leistungen und dem starken Sound das System zu einer Lösung für alle anspruchsvollen Anwendungen macht.
Funktionen
Basiselemente Klassisch oder Ampel
Für das System M können Sie zwischen klassischen Basiselemente für Wand-, Aufputz- und Einbaumontage und Ampelmodulen wählen.LED-Technologie
Die hellen LED-Leuchten des System M ermöglichen eine optimale Warnwirkung, auch im Hellen oder auf weite Entfernung.Warnleuchte mit verschiedenen optischen Warnsignalen
Die Leuchte kann drei optische Warnsignale wiedergeben: Dauerlicht, Blitzlicht und rotierendes Licht.Kombileuchten mit Licht und Ton
Die Leuchte kombiniert drei optische Warnsignale (Dauer-, Blitz, und rotierendes Licht) und vielfache Alarmtöne.Schutzart IP65
Mit der hohen Schutzart kann das System M auch in widrigen Umgebungen im Innen- und Außenbereich eingesetzt werden.Modularer Aufbau
Stellen Sie Ihre Warnsäule individuell zusammen aus Basiselement, Leuchte und Schallgeber/ Sirene:
Produkte filtern
Dieses Ampelmodul ist für das System M geeignet: ein kompaktes und modulares System. Das Ampelmodul ist mit zwei LED-Warnleuchten in der Farbe Grün und Rot ausgestattet. Zusätzlich verfügt das Produkt über eine M20-Verschraubung und besteht aus stabilem Polycarbonat Kunststoff der Farbe Grau. Das Modul kann direkt auf einer senkrechten Wand montiert werden. Hinweis: Wandhalter WHA 8910, Art.-Nr. 38910 Die Anschlussklemmen ist für max. 1,5 qmm ausgelegt.
Dieses Ampelmodul ist für das System M geeignet: ein kompaktes und modulares System. Das Ampelmodul ist mit drei LED-Warnleuchten in den Farben Grün, Orange und Rot ausgestattet. Zusätzlich verfügt das Produkt über eine M20-Verschraubung und besteht aus stabilem Polycarbonat Kunststoff in der Farbe Grau. Das Modul kann direkt auf einer senkrechten Wand montiert werden. Hinweis: Wandhalter WHA 8910, Art.-Nr. 38910 Die Anschlussklemmen ist für max. 1,5 qmm ausgelegt.
Dieses Ampelmodul ist für das System M geeignet: ein kompaktes und modulares System. Das Ampelmodul ist mit drei LED-Warnleuchten in den Farben Grün, Orange und Rot ausgestattet. Zusätzlich verfügt das Produkt über eine M20-Verschraubung und besteht aus stabilem Polycarbonat Kunststoff in der Farbe Grau. Das Modul kann direkt auf einer senkrechten Wand montiert werden. Hinweis: Wandhalter WHA 8910, Art.-Nr. 38910 Die Anschlussklemmen ist für max. 1,5 qmm ausgelegt.
Dieses Ampelmodul ist für das System M geeignet: ein kompaktes und modulares System. Das Ampelmodul ist mit zwei LED-Warnleuchten in der Farbe Grün und Rot ausgestattet. Zusätzlich verfügt das Produkt über eine M20-Verschraubung und besteht aus stabilem Polycarbonat Kunststoff der Farbe Grau. Das Modul kann direkt auf einer senkrechten Wand montiert werden. Hinweis: Wandhalter WHA 8910, Art.-Nr. 38910 Die Anschlussklemmen ist für max. 1,5 qmm ausgelegt.
Das Basis-Ampelmodul ist für das System M geeignet: ein kompaktes und modulares System. Das Basis-Ampelmodul kann mit zwei Leuchten (Warn, Blitz, Kombi) oder einem Schallgeber vom System M kombiniert werden. Zusätzlich verfügt das Produkt über eine M20-Verschraubung und besteht aus stabilem Polycarbonat Kunststoff in der Farbe Grau. Das Modul kann direkt auf einer senkrechten Wand montiert werden. Der optionale Wandhalter (WHA 8910) gibt Ihnen diese Möglichkeit. Hinweis: Wandhalter WHA 8910, Art.-Nr. 38910 Die Anschlussklemmen ist für max. 1,5 qmm ausgelegt.
Das Basis-Ampelmodul ist für das System M geeignet: ein kompaktes und modulares System. Das Basis-Ampelmodul kann mit zwei Leuchten (Warn, Blitz, Kombi) oder einem Schallgeber vom System M kombiniert werden. Zusätzlich verfügt das Produkt über eine M20-Verschraubung und besteht aus stabilem Polycarbonat Kunststoff in der Farbe Grau. Das Modul kann direkt auf einer senkrechten Wand montiert werden. Der optionale Wandhalter (WHA 8910) gibt Ihnen diese Möglichkeit. Hinweis: Wandhalter WHA 8910, Art.-Nr. 38910 Die Anschlussklemmen ist für max. 1,5 qmm ausgelegt.
Das Basis-Ampelmodul ist für das System M geeignet: ein kompaktes und modulares System. Das Basis-Ampelmodul kann mit drei Leuchten (Warn, Blitz, Kombi) oder einem Schallgeber vom System M kombiniert werden. Zusätzlich verfügt das Produkt über eine M20-Verschraubung und besteht aus stabilem Polycarbonat Kunststoff in der Farbe Grau. Das Modul kann direkt auf einer senkrechten Wand montiert werden. Der optionale Wandhalter (WHA 8910) gibt Ihnen diese Möglichkeit. Hinweis: Wandhalter WHA 8910, Art.-Nr. 38910 Die Anschlussklemmen ist für max. 1,5 qmm ausgelegt.
Das Basis-Ampelmodul ist für das System M geeignet: ein kompaktes und modulares System. Das Basis-Ampelmodul kann mit drei Leuchten (Warn, Blitz, Kombi) oder einem Schallgeber vom System M kombiniert werden. Zusätzlich verfügt das Produkt über eine M20-Verschraubung und besteht aus stabilem Polycarbonat Kunststoff in der Farbe Grau. Das Modul kann direkt auf einer senkrechten Wand montiert werden. Der optionale Wandhalter (WHA 8910) gibt Ihnen diese Möglichkeit. Hinweis: Wandhalter WHA 8910, Art.-Nr. 38910 Die Anschlussklemmen ist für max. 1,5 qmm ausgelegt.
Das Basisdoppelmodul ist für das System M geeignet: ein kompaktes und modulares System. Das Basisdoppelmodul kann mit zwei Leuchten (Warn, Blitz, Kombi) oder Schallgeber vom System M kombiniert werden. Das Modul besteht aus stabilem Polycarbonat Kunststoff in der Farbe Schwarz. Das Modul kann direkt an der Wand montiert werden. Hinweis: Die Anschlussklemmen ist für max. 1,5 qmm ausgelegt.
Das Basisdoppelmodul ist für das System M geeignet: ein kompaktes und modulares System. Das Basisdoppelmodul kann mit zwei Leuchten (Warn, Blitz, Kombi) oder Schallgeber vom System M kombiniert werden. Das Modul besteht aus stabilem Polycarbonat Kunststoff in der Farbe Schwarz. Das Modul kann direkt an der Wand montiert werden. Hinweis: Die Anschlussklemmen ist für max. 1,5 qmm ausgelegt.
Das Flache-Basismodul ist für das System M geeignet: ein kompaktes und modulares System. Das Flache-Basismodul kann mit einer Leuchte (Warn, Blitz, Kombi) oder einem Schallgeber vom System M kombiniert werden. Das Modul besteht aus stabilem Polycarbonat Kunststoff in der Farbe Schwarz und kann an einer waagerechten Fläche montiert werden. Hinweis: Die Anschlussklemmen ist für max. 1,5 qmm ausgelegt.
Das Tiefe Basismodul ist für das System M geeignet: ein kompaktes und modulares System. Das Tiefe Basismodul kann mit einer Leuchte (Warn, Blitz, Kombi) oder einem Schallgeber vom System M kombiniert werden. Zusätzlich verfügt das Produkt über eine M20-Verschraubung und besteht aus stabilem Polycarbonat Kunststoff in der Farbe Schwarz. Das Modul kann direkt auf einer waagerechten Fläche montiert werden. Hinweis: Die Anschlussklemmen ist für max. 1,5 qmm ausgelegt.
Das Tiefe Basismodul ist für das System M geeignet: ein kompaktes und modulares System. Das Tiefe Basismodul kann mit einer Leuchte (Warn, Blitz, Kombi) oder einem Schallgeber vom System M kombiniert werden. Zusätzlich verfügt das Produkt über eine M20-Verschraubung und besteht aus stabilem Polycarbonat Kunststoff in der Farbe Schwarz. Das Modul kann direkt auf einer waagerechten Fläche montiert werden. Hinweis: Die Anschlussklemmen ist für max. 1,5 qmm ausgelegt.
Das Wand Basismodul ist für das System M geeignet: ein kompaktes und modulares System. Das Tiefe Basismodul kann mit einer Leuchte (Warn, Blitz, Kombi) oder einem Schallgeber vom System M kombiniert werden. Das Gehäuse besteht aus stabilem Polycarbonat Kunststoff in der Farbe Schwarz und kann direkt an der Wand verschraubt werden. Hinweis: Die Anschlussklemmen ist für max. 1,5 qmm ausgelegt
Das Wand Basismodul ist für das System M geeignet: ein kompaktes und modulares System. Das Tiefe Basismodul kann mit einer Leuchte (Warn, Blitz, Kombi) oder einem Schallgeber vom System M kombiniert werden. Das Gehäuse besteht aus stabilem Polycarbonat Kunststoff in der Farbe Schwarz und kann direkt an der Wand verschraubt werden. Hinweis: Die Anschlussklemmen ist für max. 1,5 qmm ausgelegt
Das Einbau-Basismodull ist für das System M geeignet: ein kompaktes und modulares System. Das Einbau-Basismodul kann mit einer Leuchte (Warn, Blitz, Kombi) oder einem Schallgeber vom System M kombiniert werden. Das Modul besteht aus stabilem Polycarbonat Kunststoff in der Farbe Weiß und kann direkt an der abgehängten Decke montiert werden. Hinweis: Die Anschlussklemmen ist für max. 1,5 qmm ausgelegt.
Das Einbau-Basismodull ist für das System M geeignet: ein kompaktes und modulares System. Das Einbau-Basismodul kann mit einer Leuchte (Warn, Blitz, Kombi) oder einem Schallgeber vom System M kombiniert werden. Das Modul besteht aus stabilem Polycarbonat Kunststoff in der Farbe Weiß und kann direkt an der abgehängten Decke montiert werden. Hinweis: Die Anschlussklemmen ist für max. 1,5 qmm ausgelegt.
Das Flache-Basismodul ist für das System M geeignet: ein kompaktes und modulares System. Das Flache-Basismodul kann mit einer Leuchte (Warn, Blitz, Kombi) oder einem Schallgeber vom System M kombiniert werden. Das Modul besteht aus stabilem Polycarbonat Kunststoff in der Farbe Weiß und kann an einer waagerechten Fläche montiert werden. Hinweis: Die Anschlussklemmen ist für max. 1,5 qmm ausgelegt.
Das Tiefe Basismodul ist für das System M geeignet: ein kompaktes und modulares System. Das Tiefe Basismodul kann mit einer Leuchte (Warn, Blitz, Kombi) oder einem Schallgeber vom System M kombiniert werden. Zusätzlich verfügt das Produkt über eine M20-Verschraubung und besteht aus stabilem Polycarbonat Kunststoff in der Farbe Weiß. Das Modul kann direkt auf einer waagerechten Fläche montiert werden. Hinweis: Die Anschlussklemmen ist für max. 1,5 qmm ausgelegt.
Das Tiefe Basismodul ist für das System M geeignet: ein kompaktes und modulares System. Das Tiefe Basismodul kann mit einer Leuchte (Warn, Blitz, Kombi) oder einem Schallgeber vom System M kombiniert werden. Zusätzlich verfügt das Produkt über eine M20-Verschraubung und besteht aus stabilem Polycarbonat Kunststoff in der Farbe Weiß. Das Modul kann direkt auf einer waagerechten Fläche montiert werden. Hinweis: Die Anschlussklemmen ist für max. 1,5 qmm ausgelegt.
Die Elektronische Sirene ist für das System M geeignet: ein kompaktes und modulares System. Der Schallgeber ist von Werk aus mit einem Basismodul vom System M kombiniert und verfügt über eine extrem hohe Lautstärke. Die zwei Funktionen, Warnung und Alarm lassen sich unabhängig durch separate Kontakte schalten. Der Alarm besitzt einen festgelegten Ton, während es für die Warnungen 12 verschiedene Töne gibt, die mithilfe eines DIP-Switchs auswählbar sind. Hinweis: Die Montage erfolgt Aufputz und auf einer waagerechten Fläche. Die Anschlussklemmen sind für max. 1,5 qmm ausgelegt.
Die Elektronische Sirene ist für das System M geeignet: ein kompaktes und modulares System. Der Schallgeber ist von Werk aus mit einem Basismodul vom System M kombiniert und verfügt über eine extrem hohe Lautstärke. Die zwei Funktionen, Warnung und Alarm lassen sich unabhängig durch separate Kontakte schalten. Der Alarm besitzt einen festgelegten Ton, während es für die Warnungen 12 verschiedene Töne gibt, die mithilfe eines DIP-Switchs auswählbar sind. Hinweis: Die Montage erfolgt Aufputz und auf einer waagerechten Fläche. Die Anschlussklemmen sind für max. 1,5 qmm ausgelegt.
Die Elektronische Sirene ist für das System M geeignet: ein kompaktes und modulares System. Der Schallgeber ist von Werk aus mit einem Basismodul vom System M kombiniert und verfügt über eine extrem hohe Lautstärke. Die zwei Funktionen, Warnung und Alarm lassen sich unabhängig durch separate Kontakte schalten. Der Alarm besitzt einen festgelegten Ton, während es für die Warnungen 12 verschiedene Töne gibt, die mithilfe eines DIP-Switchs auswählbar sind. Hinweis: Die Montage erfolgt Aufputz und auf einer waagerechten Fläche. Die Anschlussklemmen sind für max. 1,5 qmm ausgelegt.
Die Elektronische Sirene ist für das System M geeignet: ein kompaktes und modulares System. Der Schallgeber ist von Werk aus mit einem Basismodul vom System M kombiniert und verfügt über eine extrem hohe Lautstärke. Die zwei Funktionen, Warnung und Alarm lassen sich unabhängig durch separate Kontakte schalten. Der Alarm besitzt einen festgelegten Ton, während es für die Warnungen 12 verschiedene Töne gibt, die mithilfe eines DIP-Switchs auswählbar sind. Hinweis: Die Montage erfolgt Aufputz und auf einer waagerechten Fläche. Die Anschlussklemmen sind für max. 1,5 qmm ausgelegt.
Die LED Kombileuchte ist für das System M geeignet: ein kompaktes und modulares System. Die Kombileuchte kann mit jedem Basismodul vom System M kombiniert werden und besitzt drei Funktionen: Warnung, Alarm 1 und Alarm 2. Die Funktionen lassen sich unabhängig durch separate Kontakte steuern. Die Warnung wird durch ein dreifaches Stroboskop Blitzlicht signalisiert. Der Alarm kann entweder als Stroboskop Blitzlicht mit 32 Tönen per DIP-Switch A wiedergegeben werden oder mit Dauerlicht und ebenfalls 32 Tönen mit dem DIP-Switch B. Hinweis: Ein Basismodul wird für dieses Produkt benötigt, bitte bestellen Sie dieses separat.
Die LED Kombileuchte ist für das System M geeignet: ein kompaktes und modulares System. Die Kombileuchte kann mit jedem Basismodul vom System M kombiniert werden und besitzt drei Funktionen: Warnung, Alarm 1 und Alarm 2. Die Funktionen lassen sich unabhängig durch separate Kontakte steuern. Die Warnung wird durch ein dreifaches Stroboskop Blitzlicht signalisiert. Der Alarm kann entweder als Stroboskop Blitzlicht mit 32 Tönen per DIP-Switch A wiedergegeben werden oder mit Dauerlicht und ebenfalls 32 Tönen mit dem DIP-Switch B. Hinweis: Ein Basismodul wird für dieses Produkt benötigt, bitte bestellen Sie dieses separat.
Die LED Kombileuchte ist für das System M geeignet: ein kompaktes und modulares System. Die Kombileuchte kann mit jedem Basismodul vom System M kombiniert werden und besitzt drei Funktionen: Warnung, Alarm 1 und Alarm 2. Die Funktionen lassen sich unabhängig durch separate Kontakte steuern. Die Warnung wird durch ein dreifaches Stroboskop Blitzlicht signalisiert. Der Alarm kann entweder als Stroboskop Blitzlicht mit 32 Tönen per DIP-Switch A wiedergegeben werden oder mit Dauerlicht und ebenfalls 32 Tönen mit dem DIP-Switch B. Hinweis: Ein Basismodul wird für dieses Produkt benötigt, bitte bestellen Sie dieses separat.
Die LED Kombileuchte ist für das System M geeignet: ein kompaktes und modulares System. Die Kombileuchte kann mit jedem Basismodul vom System M kombiniert werden und besitzt drei Funktionen: Warnung, Alarm 1 und Alarm 2. Die Funktionen lassen sich unabhängig durch separate Kontakte steuern. Die Warnung wird durch ein dreifaches Stroboskop Blitzlicht signalisiert. Der Alarm kann entweder als Stroboskop Blitzlicht mit 32 Tönen per DIP-Switch A wiedergegeben werden oder mit Dauerlicht und ebenfalls 32 Tönen mit dem DIP-Switch B. Hinweis: Ein Basismodul wird für dieses Produkt benötigt, bitte bestellen Sie dieses separat.
Die LED Multileuchte ist für das System M geeignet: ein kompaktes und modulares System. Die Multileuchte kann mit jedem Basismodul vom System M kombiniert werden und besitzt drei Farben: Rot, Gelb, Grün und lassen sich, wie die Lichtstärke und der Lichtmodus unabhängig durch integrierte Taster steuern. Die Lichtstärke kann in folgenden Schritten eingestellt werden: (33%, 66%, 100%). Ein Basismodul wird für dieses Produkt benötigt, bitte bestellen Sie dieses separat.
Die flache LED Multileuchte ist für das System M geeignet: ein kompaktes und modulares System. Die Multileuchte kann mit jedem Basismodul vom System M kombiniert werden und besitzt acht Farben: Rot, Orange, Grün, Gelb, Cyan, Magenta, Blau, Weiß und lassen sich, wie die Lichtstärke und der Lichtmodus unabhängig durch integrierte Taster steuern. Die Lichtstärke kann in folgenden Schritten eingestellt werden: (33%, 66%, 100%). Ein Basismodul wird für dieses Produkt benötigt, bitte bestellen Sie dieses separat.
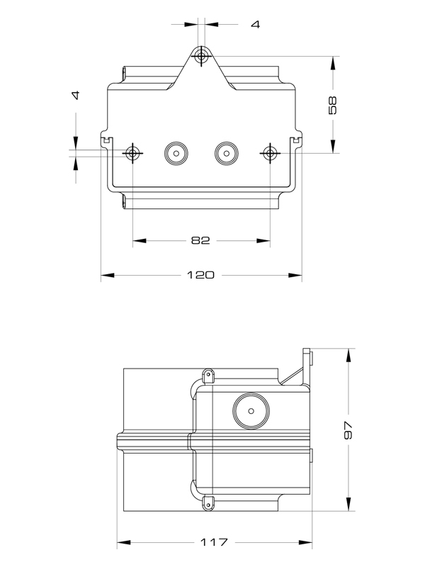
Extrem zuverlässiges und flaches LED-Warnleuchten-Modul mit hoher LeuchtstärkeProduktmerkmale:für alle Multivolt Basismodule 389xx 3 Farben (grün, orange, rot) Unabhängige Steuerung durch separate Kontakte optimal für die Signalisation im NahbereichTechnische Daten:Einschaltdauer 100 % ED -30 °C bis +50 °C 92 (D) x 43 mm IP65Multivoltbetrieb 10 Cd(p)Installationshinweis:Hinweis:Achtung: Basismodul (Best.-Nr. 389xx) bitte immer separat mitbestellen!
Das Schallgeber Modul ist für das System M geeignet: ein kompaktes und modulares System. Der Schallgeber besitzt zwei Funktionen (Alarm 1, Alarm 2). Zusätzlich besitzt das Modul über 32 Töne die durch den DIP-Switch A benutzt werden können, durch den DIP-Switch B sind weitere 32 Töne einstellbar. Die extrem hohe Lautstärke wird über integrierte Taster eingestellt. Diese Produkt benötigt ein Basismodul, bitte dieses separat bestellen. Dazu passende Basismodule (System M): Basismodul flach, BMF 8911, Art.-Nr. 38911 Basismodul tief, BMT 8912, Art.-Nr. 38912 Basismodul Wand, BMW 8913, Art.-Nr. 38913 Basisdoppelmodul, BDW 8916, Art.-Nr. 38916 Basismodul flach, BMF 8991, Art.-Nr. 38991 Basismodul tief, BMT 8992, Art.-Nr. 38992 BME 8993, Art.-Nr. 38993
Das Schallgeber Modul ist für das System M geeignet: ein kompaktes und modulares System. Der Schallgeber besitzt zwei Funktionen (Alarm 1, Alarm 2). Zusätzlich besitzt das Modul über 32 Töne die durch den DIP-Switch A benutzt werden können, durch den DIP-Switch B sind weitere 32 Töne einstellbar. Die extrem hohe Lautstärke wird über integrierte Taster eingestellt. Diese Produkt benötigt ein Basismodul, bitte dieses separat bestellen. Dazu passende Basismodule (System M): Basismodul flach, BMF 8911, Art.-Nr. 38911 Basismodul flach, BMF 8991, Art.-Nr. 38991 Basismodul tief, BMT 8912, Art.-Nr. 38912 Basismodul tief, BMT 8992, Art.-Nr. 38992 Basismodul Wand, BMW 8913, Art.-Nr. 38913 Basisdoppelmodul, BDW 8916, Art.-Nr. 38916 Basismodul Einbau, BME 8993, Art.-Nr. 38993
Die LED Warnleuchte ist für das System M geeignet: ein kompaktes und modulares System. Die Warnleuchte kann mit jedem Basismodul vom System M kombiniert werden und besitzt drei Funktionen: Dauer-, rotierend oder Blitzlicht. Hinweis: Ein Basismodul wird für dieses Produkt benötigt, bitte bestellen Sie dieses separat.
Die LED Warnleuchte ist für das System M geeignet: ein kompaktes und modulares System. Die Warnleuchte kann mit jedem Basismodul vom System M kombiniert werden und besitzt drei Funktionen: Dauer-, rotierend oder Blitzlicht. Hinweis: Ein Basismodul wird für dieses Produkt benötigt, bitte bestellen Sie dieses separat.
Die LED Warnleuchte ist für das System M geeignet: ein kompaktes und modulares System. Die Warnleuchte kann mit jedem Basismodul vom System M kombiniert werden und besitzt drei Funktionen: Dauer-, rotierend oder Blitzlicht. Hinweis: Ein Basismodul wird für dieses Produkt benötigt, bitte bestellen Sie dieses separat.
Die LED Warnleuchte ist für das System M geeignet: ein kompaktes und modulares System. Die Warnleuchte kann mit jedem Basismodul vom System M kombiniert werden und besitzt drei Funktionen: Dauer-, rotierend oder Blitzlicht. Hinweis: Ein Basismodul wird für dieses Produkt benötigt, bitte bestellen Sie dieses separat.
Das LED Warnleuchten Modul in der flachen Ausführung ist für das System M geeignet: ein kompaktes und modulares System. Die Warnleuchte kann mit jedem Basismodul vom System M kombiniert werden und besitzt drei Funktionen: Dauer-, blitz und Doppelblitzlicht. Die Funktionen lassen sich unabhängig durch integrierte Taster auswählen. Zusätzlich besitzt das Modul eine Fresnel-Linse für eine bessere Reichweite des Lichtes. Ein Basismodul wird für dieses Produkt benötigt, bitte bestellen Sie dieses separat.
Das LED Warnleuchten Modul in der flachen Ausführung ist für das System M geeignet: ein kompaktes und modulares System. Die Warnleuchte kann mit jedem Basismodul vom System M kombiniert werden und besitzt drei Funktionen: Dauer-, blitz und Doppelblitzlicht. Die Funktionen lassen sich unabhängig durch integrierte Taster auswählen. Zusätzlich besitzt das Modul eine Fresnel-Linse für eine bessere Reichweite des Lichtes. Ein Basismodul wird für dieses Produkt benötigt, bitte bestellen Sie dieses separat.
Das LED Warnleuchten Modul in der flachen Ausführung ist für das System M geeignet: ein kompaktes und modulares System. Die Warnleuchte kann mit jedem Basismodul vom System M kombiniert werden und besitzt drei Funktionen: Dauer-, blitz und Doppelblitzlicht. Die Funktionen lassen sich unabhängig durch integrierte Taster auswählen. Zusätzlich besitzt das Modul eine Fresnel-Linse für eine bessere Reichweite des Lichtes. Ein Basismodul wird für dieses Produkt benötigt, bitte bestellen Sie dieses separat.
Das LED Warnleuchten Modul in der flachen Ausführung ist für das System M geeignet: ein kompaktes und modulares System. Die Warnleuchte kann mit jedem Basismodul vom System M kombiniert werden und besitzt drei Funktionen: Dauer-, blitz und Doppelblitzlicht. Die Funktionen lassen sich unabhängig durch integrierte Taster auswählen. Zusätzlich besitzt das Modul eine Fresnel-Linse für eine bessere Reichweite des Lichtes. Ein Basismodul wird für dieses Produkt benötigt, bitte bestellen Sie dieses separat.
Der schwenkbare Wandhalter für die Ampelmodule vom System M gibt den Ampelmodulen extra Stabilität und die Möglichkeit, diese Ampeln zu schwenken. Der Halter besteht aus rostfreiem Edelstahl und ist stabil, hochwertig und dadurch auch langlebig.