Zum Hauptinhalt springen Zur Suche springen Zur Hauptnavigation springen

Großläutewerk LTW 168 GR 12V DC

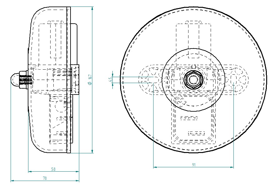
Abmessungen: Ø 168 x 78
Betrieb: Dauerbetrieb
Geräteart: Groß-Läutewerk
Kabeleinführungstiefe: 5 – 9 mm
Befestigungslochabstand: 91 mm
Betriebsart: Dauerbetrieb
Farbe: Grau
Klangschale: Glockenstahl
Lautstärke: 98 dB(A)
Schalendurchmesser: 168 mm
Schutzart: IP66
Schutzklasse: 2
Sonstiges: Nicht zum Einbau in KFZ geeignet
Spannungsversorgung: 12 V DC (600 mA)


Großläutewerk LTW 168 (Grau)

Die robuste und kompakte „LTW 168“ Serie von Grothe ist speziell für den Einsatz im Industrie- und Zivilbereich konzipiert und verfügt über eine hohe Schutzart (IP66). Dadurch eignen sich diese Produkte sowohl für die Anwendung im Innen- als auch im Außeneinsatz.

Das elektronische Großläutewerk ist in drei verschiedenen Farben erhältlich, um den individuellen Anforderungen im laufenden Betrieb gerecht zu werden. Innerhalb der Serie gibt es zwei Varianten mit Gleichspannung und drei Varianten mit Wechselspannung.

Das Läutewerk eignet sich besonders gut zur Pausensignalisierung oder Anlaufwarnung in Produktionsumgebungen, Schulen oder anderen Orten, an denen regelmäßige akustische Signalisierungen erforderlich sind.

Hinweis:

Ebenfalls erhältliche Varianten (Grau)

  • LTW 168 GR 12 V AC, Art.­Nr. 22522
  • LTW 168 GR 24 V AC, Art.­Nr. 22523
  • LTW 168 GR 240 V AC, Art.­Nr. 22527
  • LTW 168 GR 24 V DC, Art.­Nr. 22551


  • Die Wechselstromvarianten besitzen eine Lautstärke Differenz von 2 dB(A) im Vergleich zu den Gleichstromvarianten !

    Dieses Produkt ist nicht für den Einbau in KFZs geeignet.
    Produktgalerie überspringen
    Kompaktes Netzgerät für Hutschiene mit 12V DC Ausgang und Belüftungsschlitzen, beschriftete Oberseite.
    Netzgerät NG AL12/2A
    Artikelnummer: 39342

    Das Netzgerät verfügt über einen Potenziometer welcher die Ausgangsspannung oder den Ausgangsstrom des Netzgeräts regelt oder einstellt. Zusätzlich verfügt das Netzgerät über eine LED Anzeige, welche signalisiert, ob das Netzgerät optimal mit Spannung versorgt wird. Die Montage erfolgt Aufputz oder auf einer Hutschiene. Das Netzgerät kommt zum Einsatz bei allen Geräten die über eine Sekundärspannung von 12 V DC (2 A) verfügen.