Zum Hauptinhalt springen Zur Suche springen Zur Hauptnavigation springen

Großläutewerk LTW 168 GR 12V AC

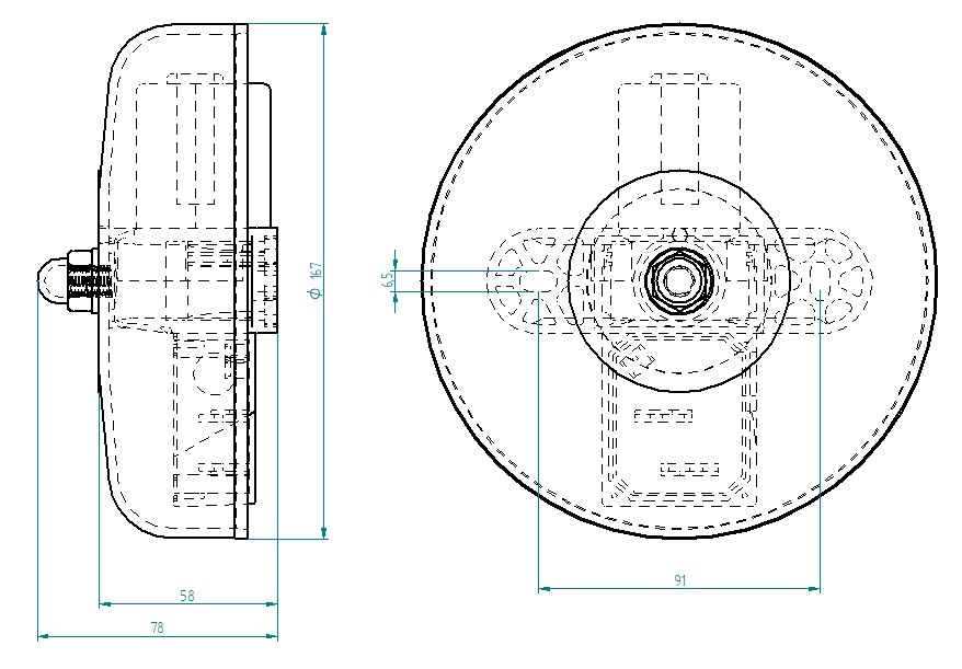
Abmessungen: Ø 168 x 78
Betrieb: Dauerbetrieb
Geräteart: Groß-Läutewerk
Kabeleinführungstiefe: 5 – 9 mm
Befestigungslochabstand: 91 mm
Betriebsart: Dauerbetrieb
Farbe: Grau
Klangschale: Glockenstahl
Lautstärke: 100 dB(A)
Schalendurchmesser: 168 mm
Schutzart: IP66
Schutzklasse: 2
Sonstiges: Nicht zum Einbau in KFZ geeignet
Spannungsversorgung: 12 V AC (860 mA), 12 V AC, 50 Hz (860 mA)


Großläutewerk LTW 168 (Grau)

Die robuste und kompakte „LTW 168“ Serie von Grothe ist speziell für den Einsatz im Industrie- und Zivilbereich konzipiert und verfügt über eine hohe Schutzart (IP66). Dadurch eignen sich diese Produkte sowohl für die Anwendung im Innen- als auch im Außeneinsatz.

Das elektronische Großläutewerk ist in drei verschiedenen Farben erhältlich, um den individuellen Anforderungen im laufenden Betrieb gerecht zu werden. Innerhalb der Serie gibt es zwei Varianten mit Gleichspannung und drei Varianten mit Wechselspannung.

Das Läutewerk eignet sich besonders gut zur Pausensignalisierung oder Anlaufwarnung in Produktionsumgebungen, Schulen oder anderen Orten, an denen regelmäßige akustische Signalisierungen erforderlich sind.

Hinweis:

Ebenfalls erhältliche Varianten (Grau)

  • LTW 168 GR 24 V AC, Art.­Nr. 22523
  • LTW 168 GR 240 V AC, Art.­Nr. 22527
  • LTW 168 GR 12 V DC, Art.­Nr. 22550
  • LTW 168 GR 24 V DC, Art.­Nr. 22551


  • Die Wechselstromvarianten besitzen eine Lautstärke Differenz von 2 dB(A) im Vergleich zu den Gleichstromvarianten !

    Dieses Produkt ist nicht für den Einbau in KFZs geeignet.
    Produktgalerie überspringen
    Sicherheitstransformator GTN 1973 von Grothe im Hutschienengehäuse mit Anschlussklemmen und Schaltbild in Schrägansicht
    Sicherheitstransformator GTN 1973
    Artikelnummer: 14034

    GTN 1973 Sicherheitstransformator Grothe Klingel- und auch Sicherheitstransformatoren sind prinzipiell mit einen PTC, der bei Kurzschluss und Überlast den Trafo primärseitig abschaltet, geschützt. Alle Transformatoren entsprechen den höchsten Umweltschutzanforderungen, sind geprüft nach EN61558-2-6:2010 und besitzen eine Zertifizierung. Der Transformator ist ideal für den Dauerbetrieb geeignet und kann entweder in einen Elektro- oder Flach-Verteiler eingebaut werden und ist mit einem ENEC-Zeichen gekennzeichnet. Das zusätzlich erhältliche AP-Montageset für den Transformator beinhaltet zwei Abdeckklappen sowie Befestigungsschienen und -material, damit die Schutzklasse IP20 erreicht wird. Hinweis: Bei geringer Belastung oder Leerlauf entsteht eine höhere Ausgangsspannung! Nach Kurzschluss Wieder-Inbetriebnahme durch kurzzeitige Trennung der Primär-Seite vom Netz (mindestens 1 Minute). Zubehör AP-Montageset: Beinhaltet zwei Abdeck-Kappen um die Schutzart IP20 zu erreichen und Befestigungs-Schienen und -Material für AP-Montage, Art.-Nr. 14954